Misturador de reação de eixo vertical LFJ misturador de floculação Nanjing Kepude


Introdução ao misturador de estrutura: O misturador de estrutura é um equipamento de mistura comumente usado para preparar coagulantes, auxiliares de coagulação, desinfetantes e emulsão de cal em projetos de abastecimento de água e drenagem.
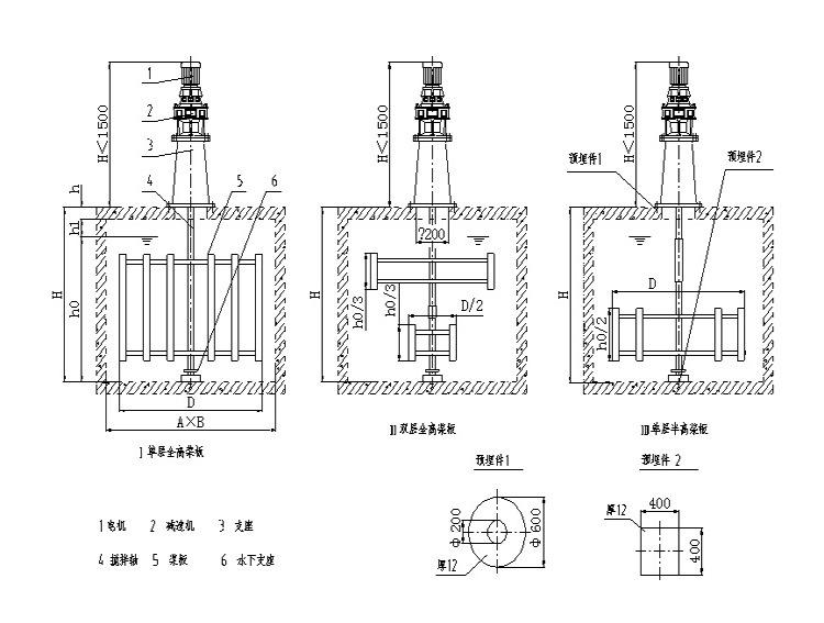
Introdução à estrutura do misturador de quadros:

Princípio de funcionamento do misturador de estrutura: O misturador de estrutura é composto por um motor, um redutor, um eixo, pás, etc. O motor aciona o redutor, e o eixo de saída do redutor aciona o eixo rotativo para acionar as pás para girar e atingir o objetivo de mistura.
1. Toda a máquina adota o acionamento direto do redutor, com estrutura simples e compacta, operação estável e alta eficiência de mistura.
2. O eixo do agitador conectado por um acoplamento se estende para dentro da piscina, e as lâminas do agitador são instaladas no eixo.
3. O motor redutor de acionamento pode funcionar continuamente ou intermitentemente. O motor é do tipo externo. A corrente do motor é adequada para 380 V, 3 fases, 50 Hz, nível de proteção IP55 e nível de isolamento F.
4. A base do misturador é soldada com placas de aço carbono de tamanho considerável para formar uma estrutura de suporte de treliça rígida para garantir que o misturador possa operar suavemente por um longo tempo.
5. O design das lâminas do misturador utiliza totalmente a potência da transmissão do motor, alcançando um bom efeito de mistura. A estrutura, o design, o material e a fabricação do equipamento garantem a operação segura a longo prazo do equipamento.
6. Não há vazamento óbvio em todas as superfícies de junção do redutor e nas vedações dos eixos de entrada e saída.
7. O dispositivo de redução pode transmitir a potência necessária para a operação sob várias condições de projeto e pode suportar a carga transmitida pelo eixo do agitador.
8. O suporte do eixo do misturador pode suportar o peso do eixo do misturador e do impulsor, e suportar todos os torques, momentos de flexão e cargas axiais.
9. O misturador funciona de forma estável com baixo ruído; todas as peças operacionais têm boa lubrificação ou autolubrificação, fácil reabastecimento e boas propriedades de vedação, à prova de poeira, à prova d'água e à corrosão.
10. O eixo e as lâminas do misturador têm resistência, rigidez e resistência à vibração suficientes para garantir uma operação suave sem vibração anormal sob várias condições de projeto.
Características do misturador de quadros:
Menos elos de transmissão, alta eficiência mecânica, estrutura compacta e operação estável;
Tamanho reduzido, grande capacidade de processamento, baixo consumo de energia;
Baixos custos de instalação, operação e manutenção;
Ele pode atingir uma certa intensidade de agitação dentro do tempo de mistura necessário, atender aos requisitos de mistura rápida, uniforme e suficiente, com pequena perda de carga, e pode se adaptar a mudanças no volume de água para ser adequado para plantas aquáticas com vários volumes de água.
Estrutura do misturador de estrutura e processo de trabalho: O misturador vertical é composto por um motor, um redutor, uma estrutura, um eixo de agitação, uma pá, um acoplamento, um suporte subaquático, etc. De acordo com o método de vedação, ele pode ser dividido em: Tipo A: com vedação mecânica, Tipo B: sem vedação, Tipo C: outros métodos de vedação, que podem ser aplicados a ocasiões com diferentes requisitos de vedação. O dispositivo de acionamento adota um motor comum ou um motor à prova de explosão e um redutor de cata-vento cicloidal. O eixo principal do dispositivo de acionamento é conectado ao eixo de agitação por meio de um acoplamento. O eixo de agitação é suportado por rolamentos e tem resistência suficiente e alta estabilidade. A lâmina do misturador adota uma pá de lâmina dobrável de 45 graus, que pode produzir desvios axiais, radiais e circunferenciais, de modo que o material e a água sejam rápida e totalmente misturados para atender aos requisitos do processo.
Método de instalação do misturador de quadro:
1. Antes da instalação, verifique se as dimensões da fundação relacionadas ao equipamento de instalação atendem aos requisitos de instalação.
2. Após fixar o suporte do redutor e a placa de base de conexão, coloque-os horizontalmente na posição correspondente nas peças de engenharia civil embutidas, verifique se o plano de conexão entre o suporte e o redutor é horizontal e ajuste-os para um estado horizontal.
3. Conecte o eixo do misturador e a base do redutor.
4. Para misturadores de estrutura com suportes subaquáticos: Após fixar os suportes subaquáticos à placa de fundo de conexão, coloque-os horizontalmente na posição correspondente nas peças de engenharia civil embutidas no fundo da piscina, verifique se o plano de suporte é horizontal. A posição central deve estar localizada no centro vertical do centro de suporte do redutor e ajuste-a para um estado horizontal.
5. Para misturadores de quadro com suportes subaquáticos: conecte o eixo do misturador e o suporte subaquático e gire manualmente o meio acoplamento dentro do suporte redutor. Neste momento, o eixo deve girar de forma flexível e o suporte subaquático não deve ter deslocamento óbvio.
6. Para o misturador com suporte subaquático: primeiro solde e fixe o suporte subaquático para conectar a placa inferior e a placa embutida na fundação e, em seguida, solde e fixe o suporte do redutor para conectar a placa inferior e a placa embutida na fundação.
7. Gire manualmente o meio acoplamento no suporte do redutor. Neste momento, o eixo deve girar de forma flexível. Se houver um fenômeno de travamento durante a rotação, ele deve ser refixado até que seja ajustado a um estado razoável. Solde e fixe o suporte do redutor para conectar a placa inferior e a placa embutida na fundação. Para o misturador com suporte subaquático, o suporte subaquático deve ser soldado e fixado para conectar a placa inferior e a placa embutida na fundação.
8. Aperte os parafusos e porcas no meio acoplamento adequadamente.
Método de depuração do Frame Mixer:
1. Antes da depuração, encha com óleo de acordo com os requisitos do redutor.
2. Verifique o grau de isolamento do motor de acionamento. A resistência de isolamento ao aterramento não deve ser menor que 5MΩ.
3. Conecte o motor e o sistema de controle de acordo com o método de conexão do motor. Para a fiação do sistema de controle, consulte o diagrama esquemático de controle elétrico e as instruções.
4. Após a instalação do misturador, ele deve ser testado antes de ser usado oficialmente. Quando estiver funcionando normalmente em marcha lenta, ele pode ser gradualmente carregado e operado. Durante o teste, o equipamento deve funcionar suavemente, sem vibração anormal.
Precauções para usar o redutor do misturador de quadros
1. O redutor configurado para esta série de produtos é adequado para operação contínua ou intermitente. Dependendo da instalação da lâmina de agitação, é permitido que ela funcione no sentido horário ou anti-horário. Para condições específicas, consulte a indicação da direção de rotação do equipamento.
2. A velocidade nominal do eixo de entrada é de 1500 rpm ou 1000 rpm. Quando o eixo de saída e a extensão do eixo de entrada são combinados com outras peças, o martelamento direto não é permitido para evitar que a posição estrutural se mova.
3. Em caso de grandes forças axiais e radiais, o eixo deve ser concêntrico quando o acoplamento for conectado ao motor e ao redutor.
4. Antes de instalar o redutor, remova os parafusos no meio acoplamento e, depois que o motor e o redutor estiverem fixados no suporte, ligue o redutor para operação de teste. Depois que a operação de teste estiver normal, instale os parafusos e porcas no acoplamento e aperte-os. Somente então a máquina inteira pode ser testada sem carga e, depois que funcionar normalmente, pode ser carregada para operação.
O misturador submersível de estrutura BK pode ser considerado uma deformação do misturador tipo pá, com uma estrutura relativamente forte e grande capacidade de agitação. A lacuna entre o misturador tipo estrutura e a parede do recipiente é pequena, o que é propício ao processo de transferência de calor. É frequentemente usado para transferência de calor, operação de cristalização e agitação de líquido de alta viscosidade, lama de alta concentração e lama de sedimentação.
O diâmetro do agitador de estrutura JBK é relativamente grande, geralmente 2/3 a 9/10 do diâmetro interno do reator, 50 a 70 r/min. Ao girar rapidamente, o líquido impulsionado pelas lâminas do agitador traz a camada estática para baixo da parede do recipiente de reação; ao girar lentamente, o agitador com um raspador pode produzir boa condução de calor.
O agitador de estrutura JBK é geralmente usado para agitar materiais semelhantes a mingaus. A velocidade de agitação é preferencialmente de 60-130r/min, e a viscosidade aplicável é de 200-300Pa·s.