

Interruptor de toque leve6x6Possui as seguintes características:
1. A parte operacional pode realizar a rotação do joystick e a pressão central;
2. Um único botão permite a operação simples de ações compostas;
3、 Adequado para soldagem por refluxo.
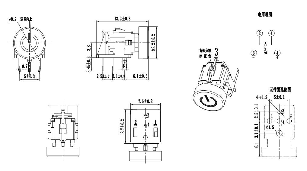
Interruptor de toque leve6x6As principais especificações são6x6x7、6x6x7,2、6x6x8,5、6x6x7À prova d'água com luzes, etc., também pode ser usado em combinação com tampas e conchas de botões de interruptor. As cores principais são vermelho, amarelo, azul, verde, branco, verde esmeralda, laranja, luzes de duas cores, etc., que podem ser personalizadas de acordo com as necessidades do cliente.
Interruptor de toque leve6x6Os estilhaços mais utilizados no mercado são os estilhaços de cobre-fósforo e aço inoxidável, a resistência é principalmente180±50gfassim como260±50gf, outros pontos fortes também podem ser personalizados; o plástico do interruptor é de nylon ecologicamente correto e resistente a altas temperaturas, o material do terminal é banhado a cobre com prata, o choque elétrico é choque elétrico de prata e a luz éLIDERADOContas de luminária.
Interruptor de toque leve6x6Amplamente utilizado em: interruptores de painel de coifa, produtos de áudio e vídeo, produtos digitais, controles remotos, produtos de comunicação, eletrodomésticos, produtos de segurança, brinquedos, produtos de informática,Equipamento de ginástica, botões de equipamentos médicos, equipamentos de beleza e cabeleireiro, etc.
























【Jinchen Electronics Interruptor de toque Salvar】
▲Ao armazenar o produto, para evitar a descoloração do terminal, não o armazene nas seguintes condições.
1)Ambiente de alta temperatura e alta umidade
2)Em um ambiente com gases corrosivos
3)Locais expostos à luz solar direta
[Uso do interruptor de toque da Jinchen Electronics]
1,Método de operação
▲Não aplique força forte e opere repetidamente. Se o botão da alça for pressionado mais, o peso excessivo da carga pode fazer com que a mola (mola) se deforme e cause mau funcionamento.
▲Se uma carga excessiva for aplicada ao tipo de pressão horizontal, a parte rebitada será danificada, o que pode causar a quebra do interruptor. Portanto, durante a instalação e operação, tenha cuidado para não aplicar uma carga maior do que o peso de carga excessivo (29,4 N, 1 minuto, 1 vez).
▲Por favor, ajuste o interruptor na direção em que a alça possa ser operada na direção vertical. Pressionar apenas um lado da alça ou operá-la diagonalmente pode reduzir a durabilidade.
2, Contramedidas contra poeira
Como este switch não tem uma estrutura selada, não o utilize em locais empoeirados. Se você tiver que usá-lo, considere usar uma capa ou outras medidas de proteção.
Interruptor de toque da Jinchen ElectronicsMétodo de uso correto [Sobre placa de circuito impresso] [Sobre soldagem]
1. Sobre placas de circuito impresso
●A placa de circuito impresso deve sert=1,6 mmUm substrato de um só lado é usado como padrão.
●Ao usar substratos de diferentes espessuras e substratos com perfurações de dupla face, a folga de ajuste do interruptor, a inserção do substrato e a resistência ao calor da junta de solda podem ser afetadas. Isso variará dependendo da perfuração e do design do substrato, portanto, é recomendável realizar testes de confirmação.
●Quando o interruptor é montado na placa de circuito impresso e a placa é cortada, há uma possibilidade de que pó de placa espalhado entre no interruptor. Por favor, preste total atenção. Em particular, se o pó de corte da placa ou matéria estranha aderir ao interruptor devido ao ambiente ao redor ou à sobreposição do recipiente e da placa na bancada de trabalho, é provável que cause mau contato.
2. Sobre soldagem
1Precauções comuns de soldagem
●Um teste de confirmação deve ser realizado com antecedência para substratos de construção multicamadas, etc. Calor e deformação podem ocorrer dependendo do tipo de substrato, projeto do substrato e aterramento.
●O número de re-soldagens, incluindo soldagem de correção manual, deve estar dentro2Neste caso, o intervalo entre a primeira e a segunda operação deve ser5Minutos ou menos. Espere até que retorne à temperatura ambiente antes de prosseguir. O aquecimento contínuo causará deformação do contorno externo e desempenho prejudicado.
2、Tanque de solda automático (tanque de solda por onda) (B3F、B3W、B3WN、B3J)
●Temperatura de soldagem:260℃abaixo
●Tempo de soldagem:5Em segundos (substrato unilateralt=1,6 mm)
●temperatura de pré-aquecimento:100℃Abaixo (temperatura ambiente)
●Tempo de pré-aquecimento:60em segundos
●Tenha cuidado para não permitir que o fluxo de espuma entre em contato com a placa de circuito impresso no lado de montagem do switch. Se houver fluxo de espuma na placa, ele pode entrar no switch e causar má condução.
3, Forno de refluxo (montagem em superfície)
Ao soldar, realize o processo dentro da faixa da curva de temperatura do terminal mostrada na figura abaixo.
●Dependendo do equipamento de solda por refluxo, o valor de pico pode ser maior, portanto, certifique-se de realizar um teste de confirmação.
●Se um interruptor de montagem em superfície for soldado em um tanque de solda por refluxo, é provável que gás de solda e fluxo entrem, causando mau funcionamento do interruptor de botão, portanto, isso deve ser evitado.
4, Ocasiões de soldagem manual (todas as séries)
Temperatura de soldagem: temperatura da ponta do ferro de solda350℃abaixo
Tempo de soldagem:3Em segundos (substrato unilateralt=1,6 mm)
Confirme se o interruptor não está levantado do substrato na frente do operador de soldagem.
Eletrônica JinchenProdução profissionalinterruptor tátil、Alternar interruptores、Interruptor à prova d'água、Interruptor iluminado、Interruptor autobloqueante (sem bloqueio)、Interruptor de cinco vias、Interruptor de roda、botão、Micro interruptor、CCtomada, tomada CA,2,5/3,5Plug do fone de ouvido、Interruptor de tipo de navioInterruptores e tomadas, etc. Salve a sobrevivência com qualidade, qualidade é a vida da empresa.Eletrônica JinchenexistirtrocarExistem procedimentos de gestão muito rigorosos para controle de qualidade. Os materiais recebidos devem ser inspecionados e qualificados pelo inspetor de materiais recebidos antes de serem armazenados. A espessa camada de prata é revestida na galvanoplastia para garantir o bom desempenho de contato do interruptor; antes da montagem, todas as bases devem ser rigorosamente limpas e secas antes da montagem, evitando que o desempenho de contato do interruptor seja afetado por poeira e outras impurezas dentro do interruptor.trocarA qualidade do interruptor é garantida; antes de sair da fábrica, ele deve primeiro passar por um teste de 100% de energia e um teste de toque por uma máquina de inspeção automática, depois passar por uma inspeção 100% manual e, finalmente, passar por uma inspeção aleatória antes de poder sair da fábrica.trocarAlta qualidade.





Yueqing Jinchen Electronics Co., Ltd. é uma empresa profissional que integra pesquisa e desenvolvimento de produtos eletrônicos, fabricação, vendas e serviços. Ela lida principalmente com uma série de componentes eletrônicos, como vários tipos de interruptores de toque, interruptores de detecção, interruptores de pressão, interruptores à prova d'água, interruptores iluminados, interruptores de alternância, interruptores de cinco vias, interruptores de roda de polegar, conectores de fone de ouvido, interruptores de barco, soquetes DC, interruptores autotravantes (sem travamento), interruptores de lanterna e microinterruptores. Os produtos são amplamente utilizados em periféricos de computador, eletrodomésticos, equipamentos audiovisuais, equipamentos de comunicação e automóveis.











