Nos especializamos en la producción de ventiladores de refrigeración 5020/2010/4020/6025/8025/9025 para inversores. Tenemos calidad garantizada y precios razonables. Bienvenido a ordenar.







El principio del ventilador de refrigeración
principio:El principio de funcionamiento del ventilador se basa en la conversión de energía, es decir, energía eléctrica → energía electromagnética → energía mecánica → energía cinética. Su principio de funcionamiento se divide generalmente en varias formas, y el circuito utilizado varía.
Habrá una diferencia en el rendimiento.
Los principales parámetros de los ventiladores de refrigeración incluyen caudal, presión, velocidad, potencia, etc.
|
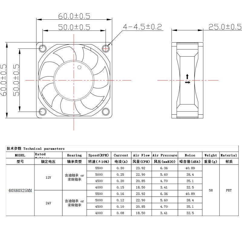
Volumen de aire y presión de aire: Hay dos maneras de medir el volumen y la presión del aire: una es mediante una prueba en túnel de viento y la otra, mediante un método de doble cámara. Sin embargo, para el usuario general, este equipo no está disponible. Solo puede usar los datos proporcionados por el fabricante como referencia, y el efecto de enfriamiento depende en última instancia de ello. Volumen de aire: El volumen de aire se refiere al producto del área de ventilación del ventilador por la velocidad del plano. El área de ventilación es el área de salida menos el área proyectada en la lengua del vórtice. La velocidad del plano es la velocidad de movimiento del gas del flujo de aire a través de todo el plano, y se expresa en m³/s. Cuando la velocidad del plano es constante, cuanto mayor sea el diámetro exterior del impulsor del ventilador, mayor será el área de ventilación y mayor el volumen de aire. La velocidad del plano está determinada por la velocidad del rotor y la presión del viento. Cuando el área de ventilación es constante, cuanto mayor sea la velocidad del plano, mayor será el volumen de aire. A mayor volumen de aire, mayor será la cantidad de calor que absorba el aire y mayor será la disipación de calor durante el flujo y la transferencia de aire, y más evidente será el efecto calor del ventilador. Presión del viento: Para una ventilación normal, es necesario superar la resistencia dentro del recorrido del ventilador. El ventilador debe generar presión para superar la resistencia al suministro de aire. La variación de presión medida se denomina presión estática, que es la diferencia entre la presión estática máxima y la presión atmosférica. Es la presión del gas que actúa sobre la superficie paralela al objeto. La presión estática se mide a través de un orificio perpendicular a su superficie. La energía cinética necesaria para el flujo de gas, convertida en presión, se denomina presión dinámica. Para lograr el objetivo del suministro de aire, se requieren presión estática y presión dinámica. La presión total es la suma algebraica de ambas. La presión total se refiere al aumento total de presión generado por el ventilador, es decir, la diferencia entre la presión total de la salida y la entrada del ventilador. En la práctica, el valor máximo nominal del volumen de aire no coincide con el volumen real de suministro de aire obtenido por la placa calefactora del ventilador. Un gran volumen de aire no implica una gran capacidad de ventilación, ya que, al fluir, este encontrará obstrucciones en la placa calefactora o en sus componentes, lo que limitará su flujo. Es decir, al aumentar el volumen de aire, la presión del viento disminuye. Por lo tanto, debe existir un punto de funcionamiento, es decir, la intersección de la curva de rendimiento del ventilador y la curva de resistencia al viento. En el punto de funcionamiento, la pendiente de la curva característica del ventilador es mínima y la tasa de cambio de la curva característica del sistema es mínima. Cabe destacar que la eficiencia estática del ventilador (volumen de aire × presión del viento ÷ consumo de energía) es óptima en este momento. Por supuesto, a veces para reducir la impedancia del sistema, se puede seleccionar un ventilador incluso más pequeño para obtener el mismo volumen de aire.
|

1. Precio del producto:Los precios de los productos son sólo de referencia, comuníquese con el servicio de atención al cliente para obtener cotizaciones detalladas.
2. Plazo de entrega:La empresa organizará la entrega dentro de 3-5 días después de que el comprador confirme el pedido.
3. Embalaje del producto:Todos los embalajes del producto se pueden embalar en cajas de cartón según los requisitos del comprador.
4. Empresa de logística:La logística de entrega la especifica el cliente, consulte con el servicio al cliente para obtener más detalles.
5. Gastos de envío:El costo de envío corre a cargo del comprador. Por favor, contacte con atención al cliente para negociar el costo de envío específico.

Shenzhen Yufei Electronics Co., Ltd.,SíVentiladores de CC, radiadores y almohadillas de refrigeraciónUna empresa privada especializada en la producción y procesamiento de productos tales como
En la zona industrial de Xiashiwei, Fuyong, distrito de Baoan, Shenzhen, Shenzhen Yufei Electronics tiene un sistema de gestión de calidad completo y científico.
La integridad, la solidez y la calidad de nuestros productos han sido reconocidas por la industria. Bienvenidos amigos de todos los ámbitos para visitar, guiar y...
Negociaciones comerciales.
La empresa se fundó en 1998 y está ubicada en Baoan, Shenzhen. Se especializa principalmente en la producción y venta de diversos...Ventilador de CC sin escobillas, CAVentilador, ventilador de CPU
Y todo tipo de sopladores, radiadores para portátiles, radiadores para tabletas y teléfonos móviles.La empresa cuenta con varios talentos técnicos de alto nivel y una sólidaFuerte equipo de I+D,
Podemos diseñar y producir productos que satisfagan plenamente a los clientes en función de todas sus necesidades de refrigeración.
Nuestros productos son ampliamente utilizados enComputadoras, equipos de comunicación, inversores, cajeros automáticos, refrigeradores de automóviles, máquinas de soldar, cocinas de inducción, equipos audiovisuales,
Cargadores de vehículos eléctricos, diversos humidificadores ecológicos, modelos inflables de regalo y otros equipos periféricos de disipación de calor, refrigeración y ventilación.







